XM1023-M/N型机械密封为单端面、多弹簧、静止式、平衡型结构,适用于高速泵的介质侧密封。补偿元件预装为一个整体,能防止弹簧脱出,结构紧凑,安装方便,端面负荷均匀,旋转方向不限;补偿密封圈采用PTFE楔形结构,有利于减少补偿环应力集中,增加密封环的强度,整体动环紧凑的尺寸有利于高速运转的平稳性。可采用多种材料及端面组合,以满足各种工况要求,用于圣达因高速泵或航天十一所。
如遇危险工况等特殊情况,请与本公司联系。
压力:P=0~3MPa
温度:T=-40℃~+180℃
转速:n≤25000 r/min
介质:各类化工流体
名称 | 材料代号 |
动环 | A B |
静环 | Q1 Q2 U1 U2 |
弹簧及其它结构件 | F S |
辅助密封 | T |

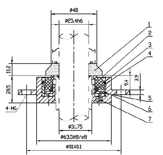
1.动环
2.静环
3.卡环
4.静环密封圈
5.推环
6.弹簧座组件
7.弹簧